hız kontrol cihazı
gelişmek için asla durma !!!
inovance fabrika görünümü
*inovance 7 fabrikasının Shenzhen bölgesinde bulunan görüntüsüdür.
üretim yapan herkese mutlaka
bir inovance ürünü vardır.
• Kendine özgü yaklaşımıyla
kontrol çözümlerini inovance ile deneyin.

• Demir çelik endüstrisinde tüm uygulamalara
cevap verebilecek ORTA GERİLİM
YÜKSEK GÜÇLÜ SERVO ve DÜŞÜK GERİLİM
motor sürücülerinin tamamı inovance'de

• Sinterleme, enerji verimliliği ,
güçlendirme çözümler sunmak ve
tozsuzlaştırma uygulamaları..
demir çelik vs döküm sektörüne
                           
OG sürücüler
•>>> Kobelco  
•>>> Atlas Copco
•>>> Ingersoll Rand
•>>> Fu Sheng (Taiwan)
Hava kompresörü ve OG
referans firmalarından
bazıları >>>
Entegre Hava Kompresörü Çözümü

H0U, özel entegre kontrol ünitesi ile
* hava kompresörü mantığına paralel
fonksiyonları ve kolay kullanım
* Çift AC sürücü çözümü (soğutma ile birlikte)
* Hem Asenkron motor kontrol etmek için
hemde PM motor kontrol sistemi tümleşik.

• Üst markalarda ve büyük pazar payı
• küresel üst kompresör şirketleri ile çalışma
• Toplam çözümü tek götürmek
• Senkron motor çözümü
• AG ve OG çözüm
Hava kompresörlerinde 'komple' sistemler
• Genel otomasyon ürünleri  ile
full kontrol kombinasyonu ile
Uygulama uzmanı bir grup ile
Tekstil makineleri için çözümler
•Tekstil sektörünü yerinde
kavramış denenmiş cihazlar
• Hava jet ve meç sistem
çözümleri inovancede..
• Elektronik kontrollü sargı ve
Elektronik çözgü kontrolü
tamamen  servo sistem çözümü
• özelleştirilmiş ürünler sağlayın
Dokuma makinaları...
CNC torna
CNC makinaları için
komple elektronik çözümler
Servo hidrolik pres
Dik işlem merkezleri
CNC mühendislik
makinaları
CNC makinaları için gerekli donanım..
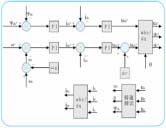
Dört kadranda kömür madeni kaldırma çözümü:

* MD320H + MD050
* AFE aktif geribildirim,
Ayarlanabilir bus gerilimi
* Kompakt explosionproof
yapı
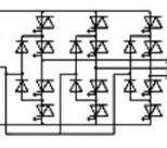
Kömür madeni konveyör çözüm:

* Master / Slave kontrolü, mükemmel adresleme
yük dağılımı sorunları giderilmesi
* CAN iletişimi Verileri hızlı gerçekleştirmek için  mükemmel senkronizasyonu
ayarlayarak performans ve tasarruf
* Kompakt explosionproof yapı
• Yukarı ve mil patlamaya dayanıklı
sürücüler altında sunan
• 4 bölgeli kontrol teknolojisi yurtiçinde lider
• Üç-seviyeli nötr nokta kontrolünde
uluslararası Lider teknoloji
• Bus tabanlı yük dağılımı yurt Lider teknoloji
690V / 1140V / 3kV / 6 kV / 10kV:
• Geniş ürün yelpazesi sunan
Maden sektöründe yüksek dayanıklılık..
Su deposu
imalatı türü
makinalar için çözüm
tel çekme makineleri
Yüksek hızlı tel
bükme makinalarında
yüksek verimlilik
çözümleri..
İplik makinaları için
güç dağılımını
dikkate alan
donanımlar.
Tel ve kablo çekme
makinaları için
otomatikleştirilmiş
özel fonksiyonlar
Kablo ve tel çekme makinaları
için hazır çözümler
Gemi İnşaa alanları için
portal vinç çözümleri

Çoklu yürütme sistemlerine sahip
portal vinçler için tamamen elektronik
kontrollü senkron ve asenkron
yön vs yürüyüş kontrol sistemleri
takım olarak inovance'de

• Vinçler için plc , hmi, inverter ,enkoder
ve diğer tüm sensör grupları..

• Tüm ürünlere  uygulama çözümleri sunan
kule / portaldaki / liman vinç ve inşaat
yük asansörleri için inovancede
gelişmiş çözümler mevcuttur.

• Çok yüksek güçlere kadar kapalı
çevrim ac motor kontrolü yada
tamamen servo motor temelli
makinalar için inovance doğru seçim.

• Yük hassasiyetine göre salınım
oranını otomatik ayarlayabilen
vinç operatörleri için kolaylıklar sınmaktadır.
Vinç kontrolü ve senkronizasyonu ...
Multi-pompa yakınsak akış çözümleri
hibrid servo enjeksiyon kalıplama makinesi:

Enjeksiyon kalıplama için servo sürücü sistemlerde
Dünya lideri (132kw kadar standart servo üretimi)
• Elektro-hidrolik servo sürücü sunan kapsamlı Motor çözümleri
• PMSM'nin tork motor tekniğinin Benzersiz üreticisi
ticari uygulamalara en uygun çözüm.
• Plastik enjeksiyon makinalarına özel kontrol
bileşenleri ile birlikde , çok hızllı ve tasarruflu
makina hayali inovance ile mümkün hale geldi.
• Tecrübeli teknik personelimiz ve stoklarımız
mükemmel bir çözüm için hizmet vermeye
başlamıştır.

Tipik uygulamalar:
Boru ekstrüzyon
Inovance kullanan bir uygulama
torklu motor
3200T serisi hibrit servo
enjeksiyon kalıplama makinesi vs..
Plastik enjeksiyon makinaları için
taklit edilemez
enerji tasarrufu burada..
NICE3000
Yolcu Asansörleri için
entegre çözüm



• Asansör entegrasyon
teknolojisinde lider
• Komple ekipman sunan
entegre kontrolörler
• yolcu / yük / villa asansörleri,
yürüyen merdivenler,
ve kapı sürücüleri
• Entegre asansör kumanda panoları
• 2013 yılına kadar toplam satış miktarı: 420.000 set
• Dünya asansör sektörünün
En büyük üretici firmalarından biri
yolcu asansörü için uzman marka
Elektrikli araç sistemleri
Elektrikli araç
sistemlerinde kendi
teknolojisini üretebilen
ar-ge çalışmalarında lider.
motor kontrol
Asenkron motor
teknolojisini en iyi
anlama ve kontrol
etmede lider.
nötr kontrol sistemleri
Yüksek teknolojili
mühendislik
kontrol ve sürücü
sistemlerinde lider.
mühendislik kontrol ve sürücü
kapalı çevrim
Uluslararası kapalı çevrim
VC teknolojilerinde lider
Servo kontrol
İnovance Yüksek performanslı ve güvenilir ürünler üretir
Servo kontrol
sistemlerinde eşi
bulunmaz teknolojileri
üretmekde lider.
> Elektrikli araba sistemleri
Elektrikli araba sistemleri
Tren vs sürücü ve kontrol
> Tren vs sürücü ve kontrol
Rüzgar enerjisi santralleri
> Rüzgar enerjisi santralleri
Güneş enerji santralleri
> Güneş enerji santralleri
                                Yenilenebilir enerji sistemler                            
Elektrik üretimi sistemleri
> Elektrik üretimi sistemleri
orta gerilim trafoları
> Demir çelik endüstrisi
orta gerilim sürücüleri
> Vinç ve taşıma makinaları
> Bant ve konveyor sürücüleri
orta gerilim inverterleri
                                Orta Gerilim sürücüleri                                   
> Diğer endüstriyel makinalar
> Ahşap işleme makinaları
> Tekstil makinaları
makina otomasyon
elevatör - vinç kontrol
> Elevatör uygulamaları
> Vinç ve kaldırma sistemleri
> Asansörler
> CNC makinaları
> Dik işlem merkezleri
> Endüstriyel robot sistemleri
cnc otomasyonu
                                Düşük voltajlı sistemler                                   
    Endüstriyel Otomasyon Faaliyet alanlarımız 
     SLİKON GRESS KAPLAMA ÜNİTELERİ  
       YÜKSEK HASSASİYETLİ TEST           
  YÜKSEK SICAKLIKLI YAŞLANDIRMA    
     CNC İŞLEME MERKEZİ                        
     FULL OTOMATİK KAPLAMA HATTI     
     FULL OTOMATİK SMT HATTI             
en son teknolojilerle üretim ve ar-ge inovance'de
Makineyi sarmak
Elektronik kam sistem
çözümü Makineyi sarmak
için en sağlıklı çözümler
SPS kenar güç sistem çözümü
SPS kenar güç sistem çözümü
Uçar makas kesim sistemleri
ve rotatif kesim makinaları
için 132kw'a kadar hazır
elektronik sistemler
Uçar makas kesim sistemleri
Elektronik kontrol sistemi
güç enerji çözümü
silikon dilim kesme makineleri
silikon dilim kesme makineleri
yakıt endüstrilerinde
Elektronik kontrol sistemi
yakıt endüstrilerinde
mobil teknolojiler
Tam kapalı çevrim
servo sistemi ile
kablo ve tekstil sargı - çözgü
ve haşıl makinaları için
paket çözümler
kablo ve tekstil sargı - çözgü
Dokuma makinaları için
Dokuma makinaları için
a'dan z'ye komple
revizyon ve sistem
yenileme teknolojileri.
Kaldırma sistemlerinde (vinç vs)
Kaldırma sistemlerinde (vinç vs)
4 kadrana kadar aynı anda
yük kontrol sistemleri
Sabit veya değişken devirli
çap kontrol sistemlerine
yönelik anahtar teslimi
programlanmış üniteler.
çap kontrol sistemlerine
Tam otomatik sistemli
Hybrit servo kontrollü
Elektronik plastik enjeksiyon
ve kalıplama
Hybrit servo kontrollü
İnovance geçmiş tecrübeleri ile sektörel çözümler sunar
gelişmek için asla durma
inova otomasyon