yıldız üçgen bağlantı şekilleri
yıldız üçgen güç bağlantı şemaları


Yıldız-üçgen Yol Verme ve bağlantı tipi
Kalkış akımını düşürmede en ekonomik yöntemdi. Üç
kontaktör ile bir zaman rölesinden oluşan kontaktör
kombinasyonudur. Bu yöntemle yol verebilmek için motorun
üçgen bağlı çalışma gerilimi şebeke gerilimine eşit olmalıdır.
Örneğin, ülkemizde şebeke gerilimi 380 volt olduğuna göre
yıldız-üçgen yol verilecek motorun etiketinde 380 Volt veya
380V/660V yazılı olmalıdır. Üretilen elektrik motorlarında,
2 ve 4 kutuplularda 3 kW (dâhil), 6 kutuplularda 2.2 kW
(dâhil)den daha büyük güçlü motorlar bu özelliktedir.
Yani 380 V şebekede üçgen bağlı çalıştırılır.
Yıldız-üçgen yol vermede amaç, motoru kalkış süresince
yıldız bağlı çalıştırmak ve kalkışını tamamlayan motoru hemen
normal bağlantısı olan üçgen bağlı olarak çalıştırmaktır. Bu
şekilde yol verilecek motorun klemens tablosundaki üç adet
üçgen köprüleri sökülmelidir.
Motor, kalkış sırasında yıldız bağlı çalıştırıldığından motor
sargılarına uygulanan gerilim U/ değerine, motorun şebekeden
çektiği akım ise 1/3 değerine düşer. 3 Motorun sargılarına
uygunalan gerilim azaldığından momenti önemli ölçüde küçülür.
yıldız üçgen kumanda bağlantı diyagramı
Yıldız-üçgen yol vermenin kusursuz olması için motorun yük momentinin, yıldız bağlamadaki motor
momentinden büyük olmaması ve yıldız bağlamadaki sürenin uygun olması gerekir.
Bu geçiş süresi çok önemlidir. Motor, yıldız bağlantıda iken anma devir sayısına ulaşıldığı anda
üçgen bağlantıya geçilmesi ve fazla aralık verilmemesi gerekir. Böyle olursa yıldızdan
üçgen bağlantıya geçişteki üçgen kontaktörünün kapamama akımı küçük ve yıldızdan üçgene geçiş
darbesiz olur. Aksi hâlde, üçgen bağlantıya geçişte akımda geçici artışlar görülür. Bunun
sonucu kontaktörün kontakları ani yüksek ısı nedeniyle kaynak olabilir.
Sonuç olarak: Bir şebekede üçgen bağlı çalışacak motor, aynı şebekede yıldız bağlı (Y)
olarak çalıştırılabilir. Ancak bu durumda motorun gücü ve momenti düşer. Bu özellikten
yararlanarak asenkron motorların kalkış anında çektikleri fazla akımı azaltmak için
yıldız üçgen yol verme uygulanması yapılabilir. Bu konu, sonraki bölümde bağlantı
şemaları çizilerek incelenmiştir.
Dikkat önemli;
Şebekede yıldız bağlı çalıştırılması gereken motor, yanlışlıkla üçgen bağlı çalıştırılırsa
sargılarına 3 katı büyük gerilim uygulanmış olur. Gerilimdeki artış oranı kadar sargı akımı
büyüyeceğinden motor aşırı akım çeker ve kısa sürede artacak ısı sonucu sargılar yanar.
Onun için yıldız bağlı çalışması gereken motor, kesinlikle aynı şebekede üçgen bağlı
çalıştırılmaz. Yıldız-üçgen Çalışmada Termik Sigorta Kontaktör Seçimi
Yıldız-üçgen yol vermede, çok önemli bir konu da kontaktör seçimi ve termik ayar
akım değeridir. Büyük seçilen kontaktörlerle yapılan oluşum ekonomik olmaz. Termik,
uygun ayar akım değerinde değilse görev yapamaz.
Yıldız-üçgen yol vermede, kullanılan enerji kontaktörü ile üçgen kontaktöründen
motorun faz akımı (I / 3 ) geçer. Yıldız bağlama kontaktöründen ise motor akımının 1/3’ü
(I/3) değerinde akım geçer.
Yüksüz hâlde yıldız-üçgen yol vermede, yıldız bağlama kontaktörü, motor gücünün
veya motor akımının 1/3 değerinde, diğer iki kontaktör ise 1/ 3 değerinde seçilir.

Devrede kullanılacak kontaktörlerin seçiminde de sigortalarda olduğu gibi motor anma akımının bir üst standart değeri alınır. Örneğin, motor etiketinde I=18A yazıyorsa
kontaktör anma akımı (Ie) 22 A seçilir. Eğer kontaktör anma akımı daha büyük değerde (Örneğin 32A) seçilirse kontaklar, oluşan arktan dolayı daha az yıpranacağından kontaktör
ömrü uzar. Aynı zamanda büyük akım değerli kontaktörün kontakları, motorun kısa devre akımlarına karşı daha dayanıklı olur. Eğer kontaktörün ekonomik olması düşünülmüyorsa
kontaktörün motor anma akımından daha büyük seçilmesi tavsiye edilir.
Yıldız-üçgen yol vermede termik, motor ile kontaktör arasına bağlanmalıdır. Bu durumdaki termik’ten motor faz akımı geçer. Termik, motor akımının 1/ 3 değerine veya
bu değerin en çok 1.2 katı kadar bir değere ayarlanmalıdır.
Eğer termik röle faz sargılarına bağlanacaksa bir faz sargısından geçecek olan If değerine ayarlanır. Bu değer şebekeden çekilen akımın 1/ 3 ’ü değerindedir. Diğer bir ifade
ile Ih.0,55 şeklinde gösterebiliriz. Ancak termik röle enerji (C) kontaktörünün çıkışına bağlanacaksa diğer bir deyişle röleden motor hat akımı geçecekse bu kez röle, motor anma
akım değerine (Ih) ayarlanır. Yıldız üçgen sisteminde motora göre sigorta seçilmelidir.
Motor devrelerinde koruma rölelerinin yanı sıra sigortalar da kullanılmaktadır. Sigorta seçilirken motor anma akımının (etiket değeri) üzerindeki ilk standart sigorta değeri seçilir.
Eğer otomatik sigorta kullanılacaksa bunun gecikmeli tip (G Tipi) olmasına dikkat edilmelidir. Motora yıldız-üçgen yol verildiğinde direkt yol vermeye göre şebekeden çekeceği akım 3 katı
azalır. Bu da yaklaşık 2.Ih olacağından sigorta akım değeri motor etiket değerinin iki katı seçilebilir.
Asenkron motora yol verme için kullanılacak olan sigorta, termik, kontaktör ve kabloların seçimi için üretici firmaların yayımlamış olduğu kataloglardan da faydalanılabilir.
Bu kataloglardaki değerler her firmanın kendi ürettiği kumanda elemanları için geçerlidir.
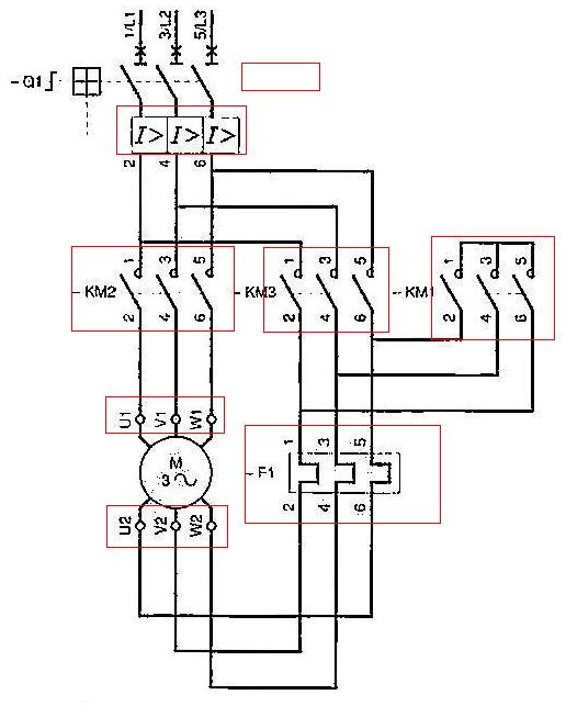
Otomatik yıldız-üçgen çalışma devresi verilmiştir. Devrenin çalışması b2 butonuna basmakla başlar. b2 butonuna basıldığında C1 (l) kontaktörü enerjilenir ve kontakları durum değiştirir.
C1 kontaktörü ile aynı anda d zaman rölesi ve C1 kontaktörü de enerjilenir. Kumanda devresinde b2 butonu mühürlenir, güç devresinde motora şebeke gerilimi uygulanır. l kontaktörü motorun
Z-X-Y uçlarını kısa devre ettiğinden motor ilk anda l olarak çalışmaya başlar.
Ayarlanan süre (l çalışma süresi) sonunda zaman rölesi l kontaktörüne seri bağlı olan d kontağını açar ve D kontaktörüne seri bağlı olan d kontağını kapatır. Bu durumda motor l bağlantıdan
ayrılıp D bağlanır ve bu şekilde çalışmasına devam eder. l ve D kontaktör bobinlerine seri bağlı olan D ve l kontakları, elektriksel kilitlemeyi sağlar.
b2 butonuna basıldığında motorun enerjisi kesilir ve durur. Herhangi bir nedenle aşırı akım rölesine e1 kontağı açıldığında ve şebeke enerjisi kesildiğinde de motor durur. gebeke enerjisi
tekrar geldiğinde ise devre çalışmaz ve çalışması için tekrar b2 butonuna basmak gerekir.
Aşağıdaki şekillerde değişik biçimde tasarlanmış otomatik yıldız-üçgen çalışma devreleri verilmiştir. Yıldız-üçgen Röle ile Asenkron Motorun Çalıştırılması
Elektrik motorlarında başlangıçta, şebekeden yüksek akım çeker. Bu durum şebekenin kısa süre de olsa aşırı yüklenmesine neden olur. Bu anlık olumsuz olayı ortadan kaldırmak
için motor ilk olarak üçgen, daha sonra yıldız bağlantıda çalıştırılır. Yıldız-üçgen yol verme sistemlerinden geçişte oluşan problemler arızalara sebep olmaktadır. Yıldız-üçgen röle hem
bağlantılardaki basitliği hem de yıldız bağlantıdan üçgen bağlantıya geçişteki 200 ms'lik gecikme, sistemin sağlıklı çalışmasını sağlar. Rölenin A1 ve A2 uçlarına gerilim verildiğinde
YILDIZ LED'i yanar ve yıldız kontaktörünü çektirir (1-2 kontakları kısa devre olur.).
Yıldız konumunda ayarlanan süre kadar çekili kalır. Ayarlanan süre sonunda YILDIZ LED'i söner, yıldız kontaktörü OFF konumuna geçer. Yaklaşık 200 ms sonra ÜÇGEN LED'i yanar
ve üçgen kontaktörünü çektirir (2-3 kontakları kısa devre olur.).
Yıldız-üçgen zaman rölesi enerji uygulandığında 1. rölenin kontağı üzerinde yıldız kontaktörü çeker ve zaman saymaya başlar. Zaman sonunda 1. röle bırakır
ve 2. röle çekerek üçgen kontaktörü devreye girer. Bu iki röle arasında 300 msn’lik bir gecikme farkı olduğundan yıldızdan üçgene geçişte kontaktörler korunmuş olur.
yıldız üçgen zaman rölesi ile ilgili detaylar için tıklayınız. Yıldız-üçgen yol vermede, motorun yük momenti, yıldız bağlama durumundaki motor momentinden büyükse
yıldız bağlamada motor yol alamaz.
Örneğin, pistonlu ve dişli pompalarda, kompresörlerde, haddelerde, bant konveyörlerde, değirmenlerde, talaş kalınlığı sabit tezgâhlarda vb.
yerlerde motora, yıldız-üçgen yol vermek istenirse yükün bir kaplin aracılığı ile motor milinden ayrılması gerekir.
YILDIZ ÜÇGEN BAĞLANTIYLA BOŞUNA UĞRAŞMAYIN ,
HIZ KONTROL CİHAZLARININ FİYATLARI İLE YILDIZ ÜÇGEN FİYATLARI AYNIYA İNDİ NEREDEYSE. Kaynak >>> yıldız üçgen bağlantı